首頁
協會介紹
協會動態
協會黨建
協會專委會
政策法規
企業推廣
《廣東氣體》期刊
首頁
> 政策法規
政策法規
政策法規
行業標準
技術前瞻
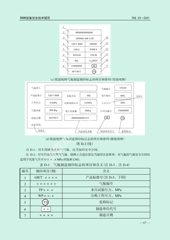
TSG 23-2021氣瓶安全技術規程
2026-03-27 10:41:20
【我要打印】
上一篇:
《工業產品生產單位落實質量安全主體責任監督管理規定》(總局75號令)
下一篇:
安全閥與爆破片安全裝置的組合
協會介紹
|
協會動態
|
協會黨建
|
協會專委會
|
政策法規
|
企業推廣
|
《廣東氣體》期刊
廣州市荔灣區芳村大道東88號新年鴻大廈206室 電話: 郵編:510380
廣東省工業氣體行業協會 All Right Reserved 技術支持:
八點網絡
粵ICP備2020106072號